咨询电话:18702111683
NEWS新闻动态
首页 > 新闻中心 > 分布式能源的“大脑”:微电网智慧电站系统设计与运营优化

分布式能源的“大脑”:微电网智慧电站系统设计与运营优化

更新时间:2026-03-25      点击次数:110

微电网智慧电站:构建新型电力系统的关键载体与实施指南

引言:能源转型与智慧化浪潮下的必然选择

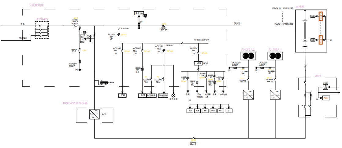
在**气候危机与能源安全挑战的双重驱动下,能源体系正经历从集中式向分布式、从化石能源向可再生能源、从单一供给向多元互动的深刻转型。微电网作为这一转型的关键技术载体,通过集成光伏、风电、储能及智能控制技术,构建起“源-网-荷-储”一体化的小型能源系统,不仅实现了能源的自给自足与高效利用,更在提升供电可靠性、降低碳排放、促进可再生能源消纳等方面展现出**价值。

当前,微电网的应用场景已从偏远地区供电扩展至工业园区、商业楼宇、数据中心等城市领域,成为推动能源互联网建设、实现“双碳”目标的重要实践路径。然而,微电网的规模化发展仍面临技术集成复杂、经济性不足、政策机制不完善等挑战。如何通过技术创新与模式优化,打造高可靠、低成本、智能化的微电网智慧电站,成为能源行业亟待解决的核心命题。

分布式能源的“大脑”:微电网智慧电站系统设计与运营优化 

一、       应用场景:覆盖多元需求

1.1       工业园区

工业园区能源消耗大,安科瑞平台实现能源集中管理。

通过优化能源调度,降低园区能耗,提高能源利用效率。

1.2       商业建筑

商业建筑对能源服务质量要求高,平台优化能源分配。

实现节能降耗,提升商业建筑能源管理水平与经济效益。

1.3       数据中心

数据中心能源供应要求稳定可靠,平台保障能源供应。

优化能源管理,降低数据中心能耗,提高运营效率。

1.4       新能源场站

新能源场站实现风光储充一体化管理,提高能源利用效率。

平台优化分布式能源出力,保障新能源场站稳定运行。

1.5       偏远地区

偏远地区电网覆盖不足,平台提供独立能源供应系统。

解决无电或缺电问题,改善偏远地区居民生活条件。

分布式能源的“大脑”:微电网智慧电站系统设计与运营优化 

二、       微电网解决方案亮点应用

微电网智慧能源管理平台是一种集成了现代信息技术(如物联网IoT、大数据、云计算和人工智能AI)的系统,用于监测、控制和优化能源使用,以提高效率并减少浪费。以电力系统监控数据为基础,可分系统、多维度展示微网运行状态,优化能源消纳效率,提高微电网系统经济、安全的能源管理与智慧运维水平。

2.1 防逆流场景应用

分布式能源的“大脑”:微电网智慧电站系统设计与运营优化 

2.2 充电桩有序充电控制应用

按照有序充电控制路径可以分为云端有序、边端有序、终端有序三类控制架构,进一步根据控制设备的不同可细分为6种控制方式:云端有序直接桩控、云边协同有序桩控、云端有序直接车控、边端有序桩控、桩端自主有序控制、车端自主有序控制。

根据电力价格和用户充电需求,或电力生产运行、电力负荷管理及负荷聚合等外部云侧系统调控需求等信息生成有序充电控制策略,直接管理和控制有序充电设备实现有序充电过程。

根据电力价格和用户充电需求,或电力生产运行、电力负荷管理及负荷聚合等外部云侧系统调控需求等信息生成有序充电控制策略,管理和控制有序充电设备实现有序充电过程。

分布式能源的“大脑”:微电网智慧电站系统设计与运营优化 

2.3 并网型光储微电网协调控制应用

实现防逆流、新能源消纳、需量控制、峰谷套利。

是配合MG或者ACCU实现。

分布式能源的“大脑”:微电网智慧电站系统设计与运营优化 

2.4 光储柴并离网控制应用

实现并离网切换,并网模式下实现新能源消纳、防逆流等控制需求;离网模式下满足系统可靠供电及能量平衡。

管理系统主要实现有缝切换。无缝切换需搭配STS。参考《关于并离网运行模式说明》

分布式能源的“大脑”:微电网智慧电站系统设计与运营优化 

2.5 园区微电网经济性调度应用

基于发电与用电预测,建立低碳、低成本的用能函数,用优化算法进行解析,生成调度指令。调度指令以计划曲线的形式下发至微网控制器或者管理系统实时控制光伏逆变器功率、储能功率、可调负荷功率等以完成调度响应。通过/冷/热/电/气多能互补,降低综合用能成本。

分布式能源的“大脑”:微电网智慧电站系统设计与运营优化 

三、       微电网能源平台特色界面展示

多站点综合大屏

分布式能源的“大脑”:微电网智慧电站系统设计与运营优化 

“源网荷储”运行监控

分布式能源的“大脑”:微电网智慧电站系统设计与运营优化 

“2.5D”全景展示

分布式能源的“大脑”:微电网智慧电站系统设计与运营优化 

能碳报表

分布式能源的“大脑”:微电网智慧电站系统设计与运营优化 

功率预测

分布式能源的“大脑”:微电网智慧电站系统设计与运营优化 

经济调度

分布式能源的“大脑”:微电网智慧电站系统设计与运营优化 

协调控制策略

分布式能源的“大脑”:微电网智慧电站系统设计与运营优化 

智能运维

分布式能源的“大脑”:微电网智慧电站系统设计与运营优化 

聚合监测、运行管理、交易管理、交易决策...

分布式能源的“大脑”:微电网智慧电站系统设计与运营优化 

四、       解决方案相关产品推荐

分布式能源的“大脑”:微电网智慧电站系统设计与运营优化 

结语:

微电网智慧电站项目是能源革命与数字化转型的交汇点,其通过技术集成与创新,不仅解决了分布式能源消纳、供电可靠性等现实难题,更推动了能源生产与消费模式的深刻变革。未来,随着储能成本下降、AI算法优化及政策机制完善,微电网将向更高比例可再生能源接入、更智能的调控策略及更广泛的场景应用拓展,成为构建新型电力系统、实现碳中和目标的核心载体。能源从业者需把握这一机遇,以技术创新驱动产业升级,为**能源可持续发展贡献力量。

 

安科瑞电气股份有限公司
  • 联系人:李明君(智慧能源产品负责人)
  • 地址:上海市嘉定区育绿路253号
  • 邮箱:2802943235@qq.com
  • 手机:18702111683
关注我们

欢迎您加我微信了解更多信息

扫一扫
电瓶车充电桩禁止非法改装
版权所有 © 2026 安科瑞电气股份有限公司 All Rights Reserved    备案号:    sitemap.xml
管理登陆    技术支持:智慧城市网